• Notice for iPhone users: DO NOT use the image size reduction option when uploading photos to the forum. This causes portrait images to post as landscape. We have added a warning to the image insert pop-up as well.

1982 Fuse Box Descriptions

BamaScrambler

Basic User
City
Gurley
State
AL
My fuse box is kind of a mess and I'm wanting to clean it up. I'm trying to find out what all the terminals in the fuse box actually do and have been striking out. I've got the Haynes book, but haven't been able to figure out a few of them. Hoping ya'll can help out.

The numbered ones are easy to find...I'm looking for the other ones. Specifically:

CLK (next to fuse 3)
T/G Sw Rear (next to fuse 1)
T/G Sw FRT (next to fuse 7)

Any help is appreciated.

jeep cj fuse box.JPEG
 
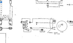
CLK is easy, that is the backlight feed for the clock , unsurprisingly the power for the actual clock comes from CLOCK, good old AMC😀

fuseboxclock.jpg
 
Thinking about it i think the Wagoneers and Full size Cherokees had the same fuse block so the T/G Sw front and back might of been there especially for them and isn't used on the CJs?
Electric windows, the rear tailgate etc possibly?, will have a dig around later if no one else gets back.
 
Back
Top